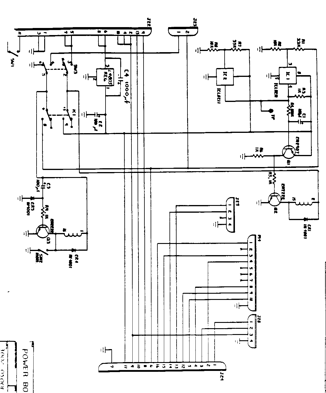
|

|
|
Designator |
Description |
Value, Type |
| R1,
R7 |
Resistor |
33.2K OHM, 1%, 0.25 watt |
| R2,
R8 |
Resistor |
10.0K OHM, 1%, 0.25 watt |
| R3,
R5, R6, R9 |
Resistor |
1K,
5%, 0.25 watt |
| R4 |
Resistor |
100K
OHM, 5%, 0.25 watt |
| CR1,
CR3, CR4 |
Diode |
IN4001 |
| U1,
U2 |
Voltage sensor |
ICL8211 |
| VR1 |
Regulator |
L4805 |
| C1,
C2, C3 |
Capacitor |
100mf,
16 volt electrolytic |
| C4 |
Capacitor |
1000mf, 16 volt electrolytic |
| Q1 |
Transistor |
2N2907 |
| Q2,
Q3 |
Transistor |
2N2222 |
| K1 |
Relay |
DPDT,
latching |
Schematic

|